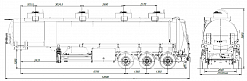
Sespel tank trailer SF3340 has following technical characteristics: The dimensions are 11,5х2,55х3,78 m; The total weight of the fuel tanker reaches 42,300 kilograms; The load-carrying capacity is not lower than 34 400 kg; BPW axes base is the main element of the undercarriage on which the tank is installed.
The fuel tanks SF3340 are made of steel alloys with low alloying indexes. The tank is necessarily equipped with a vent valve, a stop valve and a filler neck. The capacity of the equipment is 40 cubic meters. The volume is divided into 5 or 4 compartments, with capacity 12; 10; 10; 8 m3.
In the tanker, it is possible to transport diesel fuel or gasoline, petroleum products belonging to the category of light fuel - the density of the substance is up to 860 kg per cubic meter. It is allowed to temporary store oil products in the tank with an additional set of pumps and fuel delivery units - a direct refuelling. The model SF3340 operates due to the transportation by the tractor with 6x4 wheel arrangement. The structure of a fuel tanker is self-supporting. Trailers are suitable for operation with cars MAZ, MAN, as well as with ZIL and other manufacturers.
Sespel company sells fuel trucks to Ekaterinburg, St. Petersburg, Nizhny Novgorod, Moscow, Kazan, Chelyabinsk, Rostov-on-Don - and to other cities of Russia and CIS countries where the trade representatives of Sespel company are located. To clarify their addresses for purchasing modern Cheboksary machinery and seek for service help, please, refer to page Contacts .
Specifications

Rated capacity, l | 40000 |
Compartments | 4 (12,3 м3/7,4 м3/9,5 м3/10,8 м3) |
Total length, mm | 11660 |
Height, mm | 3780 |
Width, mm | 2550 |
Wheel Base, mm | 6795+1360+1360 |
The distance between axes, mm | 1360 |
Wheels | 385/65R22,5; 6+1 |
Total gross weight, kg | 42250 |
Vertical load on the fifth wheel, kg | 15250 |
Axle load, kg | 27000 |
Payload, kg | 34400 |
Curb weight, kg | 7850 |
More
|
Engineer consultation

The tank semi-trailer SF3340_4S_12 for light oil products made of low alloy steel has volume 40 m3. Number of compartments - 4. The fifth-wheel height is 1460 mm. ![]() |
Order
SF3340.4S_12, 40 m3, 4 compartments, fifth-wheel 1460
Sespel Fuel Tankers SF3340.4S_12 have the following main technical characteristics: the total gross weight is 41800 kg, the load on the fifth-wheel is 15300 kg, the load on axles is 26500 kg, the payload is 33250 kg, the fifth-wheel height is 1460 mm. The semi-trailers SF3340.4S_12 are made of steel alloys with low alloying index. The tank equipment necessarily includes vent valves, shut-off devices, tank fillers. It is intended for transportation of diesel or gasoline and other petroleum products.
Sespel sells fuel tankers SF3340.4S_12, 40 m3, 4 compartments, fifth-wheel 1460 in Yekaterinburg, St. Petersburg, Nizhny Novgorod, Moscow, Kazan, Chelyabinsk, Rostov-on-Don - and other cities of Russia and in the CIS countries, where Sespel sales offices are situated. Please, refer to page Contacts to specify their addresses for buying modern Cheboksary machinery and to get help with its after-sales services. |
The tank semi-trailer SF3340_4S_11 for light oil products made of low alloy steel has volume 40 m3. Number of compartments - 4. The fifth-wheel height is 1460 mm. ![]() |
Order
SF3340.4S_11, 40 m3, 4 compartments, fifth-wheel 1460
Sespel Fuel Tankers SF3340.4S_11 have the following main technical characteristics: the total gross weight is 41800 kg, the load on the fifth-wheel is 15300 kg, the load on axles is 26500 kg, the payload is 33250 kg, the fifth-wheel height is 1460 mm. The semi-trailers SF3340.4S_11 are made of steel alloys with low alloying index. The tank equipment necessarily includes vent valves, shut-off devices, tank fillers. It is intended for transportation of diesel or gasoline and other petroleum products.
Sespel sells fuel tankers SF3340.4S_11, 40 m3, 4 compartments, fifth-wheel 1460 in Yekaterinburg, St. Petersburg, Nizhny Novgorod, Moscow, Kazan, Chelyabinsk, Rostov-on-Don - and other cities of Russia and in the CIS countries, where Sespel sales offices are situated. Please, refer to page Contacts to specify their addresses for buying modern Cheboksary machinery and to get help with its after-sales services. |
The tank semi-trailer SF3340_4S_10 for light oil products made of low alloy steel has volume 40 m3. Number of compartments - 4. The fifth-wheel height is 1460 mm. ![]() |
Order
SF3340.4S_10, 40 m3, 4 compartments, fifth-wheel 1460
Sespel Fuel Tankers SF3340.4S_10 have the following main technical characteristics: the total gross weight is 42300 kg, the load on the fifth-wheel is 15300 kg, the load on axles is 27000 kg, the payload is 33750 kg, the fifth-wheel height is 1460 mm. The semi-trailers SF3340.4S_10 are made of steel alloys with low alloying index. The tank equipment necessarily includes vent valves, shut-off devices, tank fillers. It is intended for transportation of diesel or gasoline and other petroleum products.
Sespel sells fuel tankers SF3340.4S_10, 40 m3, 4 compartments, fifth-wheel 1460 in Yekaterinburg, St. Petersburg, Nizhny Novgorod, Moscow, Kazan, Chelyabinsk, Rostov-on-Don - and other cities of Russia and in the CIS countries, where Sespel sales offices are situated. Please, refer to page Contacts to specify their addresses for buying modern Cheboksary machinery and to get help with its after-sales services. |
The tank semi-trailer SF3340_4S_09 for light oil products made of low alloy steel has volume 40 m3. Number of compartments - 4. The fifth-wheel height is 1460 mm. ![]() |
Order
SF3340.4S_09, 40 m3, 4 compartments, fifth-wheel 1460
Sespel Fuel Tankers SF3340.4S_09 have the following main technical characteristics: the total gross weight is 42300 kg, the load on the fifth-wheel is 15300 kg, the load on axles is 27000 kg, the payload is 33750 kg, the fifth-wheel height is 1460 mm. The semi-trailers SF3340.4S_09 are made of steel alloys with low alloying index. The tank equipment necessarily includes vent valves, shut-off devices, tank fillers. It is intended for transportation of diesel or gasoline and other petroleum products.
Sespel sells fuel tankers SF3340.4S_09, 40 m3, 4 compartments, fifth-wheel 1460 in Yekaterinburg, St. Petersburg, Nizhny Novgorod, Moscow, Kazan, Chelyabinsk, Rostov-on-Don - and other cities of Russia and in the CIS countries, where Sespel sales offices are situated. Please, refer to page Contacts to specify their addresses for buying modern Cheboksary machinery and to get help with its after-sales services. |
The tank semi-trailer for light oil products made of low
alloy steel has volume 40 m3. Number of compartments - 4. The
fifth-wheel height is 1460 mm.
![]() |
Order
SF3340.4S_08, 40 m3, 4 compartments, fifth-wheel 1460
Sespel Fuel Tankers SF3340.4S_08 have the following main technical characteristics: the total gross weight is 42230 kg, the load on the fifth-wheel is 15230 kg, the load on axles is 27000 kg, the payload is 34230 kg, the fifth-wheel height is 1460 mm. The semi-trailers SF3340.4S_08 are made of steel alloys with low alloying index. The tank equipment necessarily includes vent valves, shut-off devices, tank fillers. It is intended for transportation of diesel or gasoline and other petroleum products.
Sespel sells fuel tankers SF3340.4S_08, 40 m3, 4 compartments, fifth-wheel 1460 in Yekaterinburg, St. Petersburg, Nizhny Novgorod, Moscow, Kazan, Chelyabinsk, Rostov-on-Don - and other cities of Russia and in the CIS countries, where Sespel sales offices are situated. Please, refer to page Contacts to specify their addresses for buying modern Cheboksary machinery and to get help with its after-sales services.
|
The tank semi-trailer for light oil products made of low
alloy steel has volume 40 m3. Number of compartments - 4. The
fifth-wheel height is 1450 mm.
![]() |
Order
SF3340.4S_07, 40 m3, 4 compartments, fifth-wheel 1450
Sespel Fuel Tankers SF3340.4S_07 have the following main technical characteristics: the total gross weight is 42120 kg, the load on the fifth-wheel is 15120 kg, the load on axles is 27000 kg, the payload is 33020 kg, the fifth-wheel height is 1450 mm. The semi-trailers SF3340.4S_07 are made of steel alloys with low alloying index. The tank equipment necessarily includes vent valves, shut-off devices, tank fillers. It is intended for transportation of diesel or gasoline and other petroleum products.
Sespel sells fuel tankers SF3340.4S_07, 40 m3, 4 compartments, fifth-wheel 1450 in Yekaterinburg, St. Petersburg, Nizhny Novgorod, Moscow, Kazan, Chelyabinsk, Rostov-on-Don - and other cities of Russia and in the CIS countries, where Sespel sales offices are situated. Please, refer to page Contacts to specify their addresses for buying modern Cheboksary machinery and to get help with its after-sales services.
|
The tank semi-trailer for light oil products made of low
alloy steel has volume 40 m3. Number of compartments - 4. The
fifth-wheel height is 1350-1450 mm.
![]() |
Order
SF3340.4S_06, 40 m3, 4 compartments, fifth-wheel 1350
Sespel Fuel Tankers SF3340.4S_06 have the following main technical characteristics: the total gross weight is 42400 kg, the load on the fifth-wheel is 15420 kg, the load on axles is 26980 kg, the payload is 33800 kg, the fifth-wheel height is 1350 - 1450 mm. The semi-trailers SF3340.4S_06, 40 m3, 4 compartments, fifth-wheel 1350 are made of steel alloys with low alloying index. The tank equipment necessarily includes vent valves, shut-off devices, tank fillers. It is intended for transportation of diesel or gasoline and other petroleum products. Sespel sells fuel tankers SF3340.4S_06, 40 m3, 4 compartments, fifth-wheel 1350-1450 in Yekaterinburg, St. Petersburg, Nizhny Novgorod, Moscow, Kazan, Chelyabinsk, Rostov-on-Don - and other cities of Russia and in the CIS countries, where Sespel sales offices are situated. Please, refer to page Contacts to specify their addresses for buying modern Cheboksary machinery and to get help with its after-sales services. |
The tank semi-trailer for light oil products made of low alloy steel has volume 40 m3.
![]() |
Order
SF3340.4S_05, 40 m3, 4 compartments, fifth-wheel 1250
Sespel Fuel Tankers SF3340.4S_05 have the following main technical characteristics: the total gross weight is 42200 kg, the load on the fifth-wheel is 15250 kg, the load on axles is 26950 kg, the payload is 33900 kg, the fifth-wheel height is 1250 mm. The semi-trailers SF3340.4S_05 are made of steel alloys with low alloying index. The tank equipment necessarily includes vent valves, shut-off devices, tank fillers. It is intended for transportation of diesel or gasoline and other petroleum products.
Sespel sells fuel tankers SF3340.4S_05, 40 m3, 4 compartments, fifth-wheel 1250 in Yekaterinburg, St. Petersburg, Nizhny Novgorod, Moscow, Kazan, Chelyabinsk, Rostov-on-Don - and other cities of Russia and in the CIS countries, where Sespel sales offices are situated. Please, refer to page Contacts to specify their addresses for buying modern Cheboksary machinery and to get help with its after-sales services.
|
The tank semi-trailer for light oil products made of low
alloy steel.
![]() |
Order
SF3340.4S_04, 40 m3, 4 compartments, fifth-wheel 1250
Sespel Fuel Tankers SF3340.4S_04 have the following main technical characteristics: the total gross weight is 42400 kg, the load on the fifth-wheel is 15420 kg, the load on axles is 26980 kg, the payload is 33800 kg, the fifth-wheel height is 1200-1300 mm. The semi-trailers SF3340.4S_04 are made of steel alloys with low alloying index. The tank equipment necessarily includes vent valves, shut-off devices, tank fillers. It is intended for transportation of diesel or gasoline and other petroleum products.
Sespel sells fuel tankers SF3340.4S_04, 40 m3, 4 compartments, fifth-wheel 1250 in Yekaterinburg, St. Petersburg, Nizhny Novgorod, Moscow, Kazan, Chelyabinsk, Rostov-on-Don - and other cities of Russia and in the CIS countries, where Sespel sales offices are situated. Please, refer to page Contacts to specify their addresses for buying modern Cheboksary machinery and to get help with its after-sales services.
|
The tank semi-trailer for light oil products made of low
alloy steel.
![]() |
Order
SF3340.4S_03, 40 m3, 4 compartments, fifth-wheel 1450
Sespel Fuel Tankers SF3340.4S_03 have the following main technical characteristics: the total gross weight is 42200 kg, the load on the fifth-wheel is 15300 kg, the load on axles is 26900 kg, the payload is 34000 kg, the fifth-wheel height is 1350-1450 mm. The semi-trailers SF3340.4S_03 are made of steel alloys with low alloying index. The tank equipment necessarily includes vent valves, shut-off devices, tank fillers. It is intended for transportation of diesel or gasoline and other petroleum products.
Sespel sells fuel tankers SF3340.4S_03, 40 m3, 4 compartments, fifth-wheel 1450 in Yekaterinburg, St. Petersburg, Nizhny Novgorod, Moscow, Kazan, Chelyabinsk, Rostov-on-Don - and other cities of Russia and in the CIS countries, where Sespel sales offices are situated. Please, refer to page Contacts to specify their addresses for buying modern Cheboksary machinery and to get help with its after-sales services.
|
The tank semi-trailer SF3340.4S_02 for light oil products made of low alloy steel.
![]() |
Order
SF3340.4S_02, 40 m3, 4 compartments, fifth-wheel 1450
Sespel Fuel Tankers SF3340.4S_02 have the following main technical characteristics: the total gross weight is 42250 kg, the load on the fifth-wheel is 15250 kg, the load on axles is 27000 kg, the payload is 34050 kg, the fifth-wheel height is 1350-1450 mm. The semi-trailers SF3340.4S_02 are made of steel alloys with low alloying index. The tank equipment necessarily includes vent valves, shut-off devices, tank fillers. It is intended for transportation of diesel or gasoline and other petroleum products.
Sespel sells fuel tankers SF3340.4S_02, 40 m3, 4 compartments, fifth-wheel 1450 in Yekaterinburg, St. Petersburg, Nizhny Novgorod, Moscow, Kazan, Chelyabinsk, Rostov-on-Don - and other cities of Russia and in the CIS countries, where Sespel sales offices are situated. Please, refer to page Contacts to specify their addresses for buying modern Cheboksary machinery and to get help with its after-sales services.
|
The tank semi-trailer SF3340.4S_01 for light oil products made of low alloy steel.
![]() |
Order
SF3340.4S_01, 40 m3, 4 compartments, fifth-wheel 1250
Sespel Fuel Tankers SF3340.4S_01 have the following main technical characteristics: the total gross weight is 42300 kg, the load on the fifth-wheel is 15300 kg, the load on axles is 27000 kg, the payload is 33600 kg, the fifth-wheel height is 1150-1250 mm. The semi-trailers SF3340.4S_01 are made of steel alloys with low alloying index. The tank equipment necessarily includes vent valves, shut-off devices, tank fillers. It is intended for transportation of diesel or gasoline and other petroleum products.
Sespel sells fuel tankers SF3340.4S_01, 40 m3, 4 compartments, fifth-wheel 1250 in Yekaterinburg, St. Petersburg, Nizhny Novgorod, Moscow, Kazan, Chelyabinsk, Rostov-on-Don - and other cities of Russia and in the CIS countries, where Sespel sales offices are situated. Please, refer to page Contacts to specify their addresses for buying modern Cheboksary machinery and to get help with its after-sales services.
|