Fuel Tankers SF3330 are manufactured by Sespel in Cheboksary and are sold also in St. Petersburg. The effective volume - 30 m3. The trailer is mounted on BPW axles. Dimensions - 10000х2550х3610 mm.
Buy Sespel Fuel Tankers at a favourable price. The fuel tankers are sold with 3 or 5 compartments, equipped with manholes, stop valves and other necessary equipment. According to customer's request the fueler can be completed with special equipment. The trailers can be used with MAZ, MAN cars and others. Sespel offers its clients the possibility to buy fuel tankers in St. Petersburg and other Russian cities and in the CIS region.
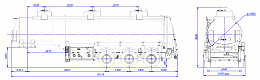
Specifications

Rated capacity, l | 30000 |
Compartments | 3; (8,1 м3/10,8 м3 /11,1 м3) |
Total length, mm | 10000 |
Height, mm | 3660 |
Width, mm | 2550 |
Wheel Base, mm | 4740+1360+1360 |
Axle configuration of the tractor | 6x4 |
The distance between axes, mm | 1360 |
Wheels | 385/65R22,5; 6+1 |
Total gross weight, kg | 30750 |
Vertical load on the fifth wheel, kg | 8850 |
Axle load, kg | 21800 |
Payload, kg | 25800 |
Curb weight, kg | 4895 |
Recovery | Да |
Access box position | Слева |
More
|
Engineer consultation
Our engineers will help you calculate the optimal load on the road according to the RF Government Regulation No. 12 dated 01.05.2015 for your cargo and your tractor for operation without overloading and fines.

Select one of the standard configurations.
Or contact our specialists and choose your own configuration.
The Tank semi-trailer SF3330 is made of aluminum alloy. The total capacity is 30 m3 with division into 3 compartments with volumes 8,1 m3 / 11,2 m3 / 10,7 m3. Tree-axle single wheeled air suspension BPW (Germany), the warranty is provided by BPW up to 3 years. The total mass of the semitrailer is 31900 kg. Double circuit brake system WABCO equipped with ТEBS system (2S/2M) with Roll Stability Support function. The semitrailer is equipped with PVC fenders. The fifth-wheel height is from 1150 to1250 mm.
![]() |
Order
SF3330_3A_10, 30 m3, 3 compartments, fifth-wheel 1150
The Fuel Tanker SF3330 3A 10 is a tank semi-trailer intended for transportation and temporary storage of gasoline and light oil products (gasoline, kerosene, diesel fuel, etc.). The tank structure is made of aluminum alloy. The tank volume 30 m3. The Fuel Tanker is divided into 3 compartments with volumes 8,1 m3 / 11,2 m3 / 10,7 m3 .
The Fuel Tanker SF3330 3A 10 is intended for operation with MAZ cars. It is transported with Russian or foreign truck 4х2 ( 6х4) wheel arrangement. The running gear of the semitrailer is 3-axle single wheeled air suspension BPW (Germany), the warranty is provided by BPW up to 3 years. Double circuit brake system WABCO equipped with ТEBS system (2S/2M) with Roll Stability Support function. The semitrailerSF3330 3A 10 is equipped with individual PVC fenders. The tank undergoes special treatment with zinc-enriched pre-coating and painting in one color with high-quality two-pack paint Tikkurilla. The fifth-wheel coupling height is from 1150 to1250 mm. Additionally there can be installed various equipment such as a pump, a meter, fuel distribution unit, vapour recovery system, bottom loading system and etc. |
The Tank semitrailer SF3330 is made of aluminum alloy. The total capacity is 30 m3 with division into 5 compartments with volumes 8,2 m3 / 6,6 m3 / 4,6 m3, / 4,6 m3, / 6 m3. Tree-axle single wheeled air suspension BPW (Germany), the warranty is provided by BPW up to 3 years. The total mass of the semitrailer is 31500 kg. Double circuit brake system WABCO equipped with ТEBS system (2S/2M) with Roll Stability Support function. The semitrailer is equipped with PVC fenders. The fifth-wheel height is from 1150 to1250 mm.
![]() |
Order
SF3330_5A_13, 30 m3, 5 compartments, fifth-wheel 1150
The Fuel Tanker SF3330 5A 13 is a tank semeitrailer intended for transportation and temporary storage of gasoline and light oil products (gasoline, kerosene, diesel fuel, etc.). The tank structure is made of aluminum alloy. The tank volume 30 m3. The Fuel Tanker is divided into 5 compartments with volumes 8,2 m3 / 6,6 m3 / 4,6 m3, / 4,6 m3, / 6 m3.
The Fuel Tanker SF3330 5A 13 is intended for operation with MAZ cars. It is transported with Russian or foreign truck 4х2 ( 6х4) wheel arrangement. The running gear of the semitrailer is 3-axle single wheeled air suspension BPW (Germany), the warranty is provided by BPW up to 3 years. Double circuit brake system WABCO equipped with ТEBS system (2S/2M) with Roll Stability Support function. The semitrailerSF3330 5A 13 is equipped with individual PVC fenders. The tank undergoes special treatment with zinc-enriched pre-coating and painting in one color with high-quality two-pack paint Tikkurilla. The fifth-wheel coupling height is from 1150 to1250 mm. Additionally there can be installed various equipment such as a pump, a meter, fuel distribution unit, vapour recovery system, bottom loading system and etc. |
The Tank semitrailer SF3330 is made of aluminum alloy. The total capacity is 30 m3 with division into 5 compartments with volumes 8,2 m3 / 6,6 m3 / 4,6 m3, / 4,6 m3, / 6 m3. Tree-axle single wheeled air suspension BPW (Germany), the warranty is provided by BPW up to 3 years. The total mass of the semitrailer is 30900 kg. Double circuit brake system WABCO equipped with ТEBS system (2S/2M) with Roll Stability Support function. The semitrailer is equipped with PVC fenders. The fifth-wheel height is from 1150 to1250 mm.
![]() |
Order
SF3330_5A_04, 30 m3, 5 compartments, fifth-wheel 1150
The Fuel Tanker SF3330 5A 04 is a tank semeitrailer intended for transportation and temporary storage of gasoline and light oil products (gasoline, kerosene, diesel fuel, etc.). The tank structure is made of aluminum alloy. The tank volume 30 m3. The Fuel Tanker is divided into 5 compartments with volumes 8,2 m3 / 6,6 m3 / 4,6 m3, / 4,6 m3, / 6 m3.
The Fuel Tanker SF3330 5A 04 is intended for operation with MAZ cars. It is transported with Russian or foreign truck 4х2 ( 6х4) wheel arrangement. The running gear of the semitrailer is 3-axle single wheeled air suspension BPW (Germany), the warranty is provided by BPW up to 3 years. Double circuit brake system WABCO equipped with ТEBS system (2S/2M) with Roll Stability Support function. The semitrailerSF3330 5A 04 is equipped with individual PVC fenders. The tank undergoes special treatment with zinc-enriched pre-coating and painting in one color with high-quality two-pack paint Tikkurilla. The fifth-wheel coupling height is from 1150 to1250 mm. Additionally there can be installed various equipment such as a pump, a meter, fuel distribution unit, vapour recovery system, bottom loading system and etc. |
The Tank semitrailer SF3330 is made of aluminum alloy. The total capacity is 30 m3 with division into 5 compartments with volumes 8,2 m3 / 6,6 m3 / 4,6 m3, / 4,6 m3, / 6 m3. Tree-axle single wheeled air suspension BPW (Germany), the warranty is provided by BPW up to 3 years. The total mass of the semitrailer is 30900 kg. Double circuit brake system WABCO equipped with ТEBS system (2S/2M) with Roll Stability Support function. The semitrailer is equipped with PVC fenders. The fifth-wheel height is from 1150 to1250 mm.
![]() |
Order
SF3330_5A_03, 30 m3, 5 compartments, fifth-wheel 1250
The Fuel Tanker SF3330 5A 03 is a tank semeitrailer intended for transportation and temporary storage of gasoline and light oil products (gasoline, kerosene, diesel fuel, etc.). The tank structure is made of aluminum alloy. The tank volume 30 m3. The Fuel Tanker is divided into 5 compartments with volumes 8,2 m3 / 6,6 m3 / 4,6 m3, / 4,6 m3, / 6 m3.
The Fuel Tanker SF3330 5A 03 is intended for operation with MAZ cars. It is transported with Russian or foreign truck 4х2 ( 6х4) wheel arrangement. The running gear of the semitrailer is 3-axle single wheeled air suspension BPW (Germany), the warranty is provided by BPW up to 3 years. Double circuit brake system WABCO equipped with ТEBS system (2S/2M) with Roll Stability Support function. The semitrailerSF3330 5A 03 is equipped with individual PVC fenders. The tank undergoes special treatment with zinc-enriched pre-coating and painting in one color with high-quality two-pack paint Tikkurilla. The fifth-wheel coupling height is from 1150 to1250 mm. Additionally there can be installed various equipment such as a pump, a meter, fuel distribution unit, vapour recovery system, bottom loading system and etc. |
The Tank semi-trailer SF3330 is made of aluminum alloy. The total capacity is 30 m3 with division into 3 compartments with volumes 8,1 m3 / 11,2 m3 / 10,7 m3. Tree-axle single wheeled air suspension BPW (Germany), the warranty is provided by BPW up to 3 years. The total mass of the semitrailer is 31900 kg. Double circuit brake system WABCO equipped with ТEBS system (2S/2M) with Roll Stability Support function. The semitrailer is equipped with PVC fenders. The fifth-wheel height is from 1150 to1250 mm.
![]() |
Order
SF3330_3A_08, 30 m3, 3 compartments, fifth-wheel 1250
The Fuel Tanker SF3330 3A 08 is a tank semi-trailer intended for transportation and temporary storage of gasoline and light oil products (gasoline, kerosene, diesel fuel, etc.). The tank structure is made of aluminum alloy. The tank volume 30 m3. The Fuel Tanker is divided into 3 compartments with volumes 8,1 m3 / 11,2 m3 / 10,7 m3 .
The Fuel Tanker SF3330 3A 08 is intended for operation with MAZ cars. It is transported with Russian or foreign truck 4х2 ( 6х4) wheel arrangement. The running gear of the semitrailer is 3-axle single wheeled air suspension BPW (Germany), the warranty is provided by BPW up to 3 years. Double circuit brake system WABCO equipped with ТEBS system (2S/2M) with Roll Stability Support function. The semitrailerSF3330 3A 07 is equipped with individual PVC fenders. The tank undergoes special treatment with zinc-enriched pre-coating and painting in one color with high-quality two-pack paint Tikkurilla. The fifth-wheel coupling height is from 1150 to1250 mm. Additionally there can be installed various equipment such as a pump, a meter, fuel distribution unit, vapour recovery system, bottom loading system and etc. |
The Tank semitrailer SF3330 is made of aluminum alloy. The total capacity is 30 m3 with division into 5 compartments with volumes 8,2 m3 / 6,6 m3 / 4,6 m3, / 4,6 m3, / 6 m3. Tree-axle single wheeled air suspension BPW (Germany), the warranty is provided by BPW up to 3 years. The total mass of the semitrailer is 31650 kg. Double circuit brake system WABCO equipped with ТEBS system (2S/2M) with Roll Stability Support function. The semitrailer is equipped with PVC fenders. The fifth-wheel height is from 1150 to1250 mm.
![]() |
Order
SF3330_5A_14, 30 m3, 5 compartments, fifth-wheel 1250
The Fuel Tanker SF3330 5A 14 is a tank semeitrailer intended for transportation and temporary storage of gasoline and light oil products (gasoline, kerosene, diesel fuel, etc.). The tank structure is made of aluminum alloy. The tank volume 30 m3. The Fuel Tanker is divided into 5 compartments with volumes 8,2 m3 / 6,6 m3 / 4,6 m3, / 4,6 m3, / 6 m3.
The Fuel Tanker SF3330 5A 14 is intended for operation with MAZ cars. It is transported with Russian or foreign truck 4х2 ( 6х4) wheel arrangement. The running gear of the semitrailer is 3-axle single wheeled air suspension BPW (Germany), the warranty is provided by BPW up to 3 years. Double circuit brake system WABCO equipped with ТEBS system (2S/2M) with Roll Stability Support function. The semitrailerSF3330 5A 14 is equipped with individual PVC fenders. The tank undergoes special treatment with zinc-enriched pre-coating and painting in one color with high-quality two-pack paint Tikkurilla. The fifth-wheel coupling height is from 1150 to1250 mm. Additionally there can be installed various equipment such as a pump, a meter, fuel distribution unit, vapour recovery system, bottom loading system and etc. |
The Tank semi-trailer SF3330 is made of aluminum alloy. The total capacity is 30 m3 with division into 3 compartments with volumes 8,1 m3 / 11,2 m3 / 10,7 m3. Tree-axle single wheeled air suspension BPW (Germany), the warranty is provided by BPW up to 3 years. The total mass of the semitrailer is 31900 kg. Double circuit brake system WABCO equipped with ТEBS system (2S/2M) with Roll Stability Support function. The semitrailer is equipped with PVC fenders. The fifth-wheel height is from 1150 to1250 mm.
![]() |
Order
SF3330_3A_07, 30 m3, 3 compartments, fifth-wheel 1250
The Fuel Tanker SF3330 3A 07 is a tank semi-trailer intended for transportation and temporary storage of gasoline and light oil products (gasoline, kerosene, diesel fuel, etc.). The tank structure is made of aluminum alloy. The tank volume 30 m3. The Fuel Tanker is divided into 3 compartments with volumes 8,1 m3 / 11,2 m3 / 10,7 m3 .
The Fuel Tanker SF3330 3A 07 is intended for operation with MAZ cars. It is transported with Russian or foreign truck 4х2 ( 6х4) wheel arrangement. The running gear of the semitrailer is 3-axle single wheeled air suspension BPW (Germany), the warranty is provided by BPW up to 3 years. Double circuit brake system WABCO equipped with ТEBS system (2S/2M) with Roll Stability Support function. The semitrailerSF3330 3A 07 is equipped with individual PVC fenders. The tank undergoes special treatment with zinc-enriched pre-coating and painting in one color with high-quality two-pack paint Tikkurilla. The fifth-wheel coupling height is from 1150 to1250 mm. Additionally there can be installed various equipment such as a pump, a meter, fuel distribution unit, vapour recovery system, bottom loading system and etc. |
The Tank semi-trailer SF3330 is made of aluminum alloy. The total capacity is 30 m3 with division into 3 compartments with volumes 8,1 m3 / 11,2 m3 / 10,7 m3. Tree-axle single wheeled air suspension BPW (Germany), the warranty is provided by BPW up to 3 years. The total mass of the semitrailer is 31900 kg. Double circuit brake system WABCO equipped with ТEBS system (2S/2M) with Roll Stability Support function. The semitrailer is equipped with PVC fenders. The fifth-wheel height is from 1150 to1250 mm.
![]() |
Order
SF3330_3A_05, 30 m3, 3 compartments, fifth-wheel 1250
The Fuel Tanker SF3330 3A 05 is a tank semi-trailer intended for transportation and temporary storage of gasoline and light oil products (gasoline, kerosene, diesel fuel, etc.). The tank structure is made of aluminum alloy. The tank volume 30 m3. The Fuel Tanker is divided into 3 compartments with volumes 8,1 m3 / 11,2 m3 / 10,7 m3 .
The Fuel Tanker SF3330 3A 05 is intended for operation with MAZ cars. It is transported with Russian or foreign truck 4х2 ( 6х4) wheel arrangement. The running gear of the semitrailer is 3-axle single wheeled air suspension BPW (Germany), the warranty is provided by BPW up to 3 years. Double circuit brake system WABCO equipped with ТEBS system (2S/2M) with Roll Stability Support function. The semitrailerSF3330 3A 04 is equipped with individual PVC fenders. The tank undergoes special treatment with zinc-enriched pre-coating and painting in one color with high-quality two-pack paint Tikkurilla. The fifth-wheel coupling height is from 1150 to1250 mm. Additionally there can be installed various equipment such as a pump, a meter, fuel distribution unit, vapour recovery system, bottom loading system and etc. |
The Tank semi-trailer SF3330 is made of aluminum alloy. The total capacity is 30 m3 with division into 3 compartments with volumes 8,1 m3 / 11,2 m3 / 10,7 m3. Tree-axle single wheeled air suspension BPW (Germany), the warranty is provided by BPW up to 3 years. The total mass of the semitrailer is 31900 kg. Double circuit brake system WABCO equipped with ТEBS system (2S/2M) with Roll Stability Support function. The semitrailer is equipped with PVC fenders. The fifth-wheel height is from 1150 to1250 mm.
![]() |
Order
SF3330_3A_04, 30 m3, 3 compartments, fifth-wheel 1250
The Fuel Tanker SF3330 3A 04 is a tank semi-trailer intended for transportation and temporary storage of gasoline and light oil products (gasoline, kerosene, diesel fuel, etc.). The tank structure is made of aluminum alloy. The tank volume 30 m3. The Fuel Tanker is divided into 3 compartments with volumes 8,1 m3 / 11,2 m3 / 10,7 m3 .
The Fuel Tanker SF3330 3A 04 is intended for operation with MAZ cars. It is transported with Russian or foreign truck 4х2 ( 6х4) wheel arrangement. The running gear of the semitrailer is 3-axle single wheeled air suspension BPW (Germany), the warranty is provided by BPW up to 3 years. Double circuit brake system WABCO equipped with ТEBS system (2S/2M) with Roll Stability Support function. The semitrailerSF3330 3A 04 is equipped with individual PVC fenders. The tank undergoes special treatment with zinc-enriched pre-coating and painting in one color with high-quality two-pack paint Tikkurilla. The fifth-wheel coupling height is from 1150 to1250 mm. Additionally there can be installed various equipment such as a pump, a meter, fuel distribution unit, vapour recovery system, bottom loading system and etc. |
The Tank semi-trailer SF3330 is made of aluminum alloy. The total capacity is 30 m3 with division into 3 compartments with volumes 8,1 m3 / 11,2 m3 / 10,7 m3. Tree-axle single wheeled air suspension BPW (Germany), the warranty is provided by BPW up to 3 years. The total mass of the semitrailer is 31900 kg. Double circuit brake system WABCO equipped with ТEBS system (2S/2M) with Roll Stability Support function. The semitrailer is equipped with PVC fenders. The fifth-wheel height is from 1150 to1250 mm.
![]() |
Order
SF3330_3A_03, 30 m3, 3 compartments, fifth-wheel 1250
The Fuel Tanker SF3330 3A 03 is a tank semi-trailer intended for transportation and temporary storage of gasoline and light oil products (gasoline, kerosene, diesel fuel, etc.). The tank structure is made of aluminum alloy. The tank volume 30 m3. The Fuel Tanker is divided into 3 compartments with volumes 8,1 m3 / 11,2 m3 / 10,7 m3 .
The Fuel Tanker SF3330 3A 03 is intended for operation with MAZ cars. It is transported with Russian or foreign truck 4х2 ( 6х4) wheel arrangement. The running gear of the semitrailer is 3-axle single wheeled air suspension BPW (Germany), the warranty is provided by BPW up to 3 years. Double circuit brake system WABCO equipped with ТEBS system (2S/2M) with Roll Stability Support function. The semitrailerSF3330 3A 02 is equipped with individual PVC fenders. The tank undergoes special treatment with zinc-enriched pre-coating and painting in one color with high-quality two-pack paint Tikkurilla. The fifth-wheel coupling height is from 1150 to1250 mm. Additionally there can be installed various equipment such as a pump, a meter, fuel distribution unit, vapour recovery system, bottom loading system and etc. |
The Tank semi-trailer SF3330 is made of aluminum alloy. The total capacity is 30 m3 with division into 3 compartments with volumes 8,1 m3 / 11,2 m3 / 10,7 m3. Tree-axle single wheeled air suspension BPW (Germany), the warranty is provided by BPW up to 3 years. The total mass of the semitrailer is 31900 kg. Double circuit brake system WABCO equipped with ТEBS system (2S/2M) with Roll Stability Support function. The semitrailer is equipped with PVC fenders. The fifth-wheel height is from 1150 to1250 mm.
![]() |
Order
SF3330_3A_02, 30 m3, 3 compartments, fifth-wheel 1250
The Fuel Tanker SF3330 3A 02 is a tank semi-trailer intended for transportation and temporary storage of gasoline and light oil products (gasoline, kerosene, diesel fuel, etc.). The tank structure is made of aluminum alloy. The tank volume 30 m3. The Fuel Tanker is divided into 3 compartments with volumes 8,1 m3 / 11,2 m3 / 10,7 m3 .
The Fuel Tanker SF3330 3A 02 is intended for operation with MAZ cars. It is transported with Russian or foreign truck 4х2 ( 6х4) wheel arrangement. The running gear of the semitrailer is 3-axle single wheeled air suspension BPW (Germany), the warranty is provided by BPW up to 3 years. Double circuit brake system WABCO equipped with ТEBS system (2S/2M) with Roll Stability Support function. The semitrailerSF3330 3A 02 is equipped with individual PVC fenders. The tank undergoes special treatment with zinc-enriched pre-coating and painting in one color with high-quality two-pack paint Tikkurilla. The fifth-wheel coupling height is from 1150 to1250 mm. Additionally there can be installed various equipment such as a pump, a meter, fuel distribution unit, vapour recovery system, bottom loading system and etc. |
The Tank semi-trailer SF3330 is made of aluminum alloy. The total capacity is 30 m3 with division into 3 compartments with volumes 8,1 m3 / 11,2 m3 / 10,7 m3. Tree-axle single wheeled air suspension BPW (Germany), the warranty is provided by BPW up to 3 years. The total mass of the semitrailer is 31900 kg. Double circuit brake system WABCO equipped with ТEBS system (2S/2M) with Roll Stability Support function. The semitrailer is equipped with PVC fenders. The fifth-wheel height is from 1150 to1250 mm.
![]() |
Order
SF3330_3A_01, 30 m3, 3 compartments, fifth-wheel 1250
The Fuel Tanker SF3330 3A 06 is a tank semi-trailer intended for transportation and temporary storage of gasoline and light oil products (gasoline, kerosene, diesel fuel, etc.). The tank structure is made of aluminum alloy. The tank volume 30 m3. The Fuel Tanker is divided into 3 compartments with volumes 8,1 m3 / 11,2 m3 / 10,7 m3 .
The Fuel Tanker SF3330 3A 06 is intended for operation with MAZ cars. It is transported with Russian or foreign truck 4х2 ( 6х4) wheel arrangement. The running gear of the semitrailer is 3-axle single wheeled air suspension BPW (Germany), the warranty is provided by BPW up to 3 years. Double circuit brake system WABCO equipped with ТEBS system (2S/2M) with Roll Stability Support function. The semitrailerSF3330 4A 02 is equipped with individual PVC fenders. The tank undergoes special treatment with zinc-enriched pre-coating and painting in one color with high-quality two-pack paint Tikkurilla. The fifth-wheel coupling height is from 1150 to1250 mm. Additionally there can be installed various equipment such as a pump, a meter, fuel distribution unit, vapour recovery system, bottom loading system and etc. |
The Tank semi-trailer SF3330 is made of aluminum alloy. The total capacity is 30 m3 with division into 4 compartments with volumes 8,1 m3 / 11,2 m3 / 10,7 m3. Tree-axle single wheeled air suspension BPW (Germany), the warranty is provided by BPW up to 3 years. The total mass of the semitrailer is 31900 kg. Double circuit brake system WABCO equipped with ТEBS system (2S/2M) with Roll Stability Support function. The semitrailer is equipped with PVC fenders. The fifth-wheel height is from 1150 to1250 mm.
![]() |
Order
SF3330_3A_06, 30 m3, 3 compartments, fifth-wheel 1250
The Fuel Tanker SF3330 3A 06 is a tank semi-trailer intended for transportation and temporary storage of gasoline and light oil products (gasoline, kerosene, diesel fuel, etc.). The tank structure is made of aluminum alloy. The tank volume 30 m3. The Fuel Tanker is divided into 3 compartments with volumes 8,1 m3 / 11,2 m3 / 10,7 m3 .
The Fuel Tanker SF3330 3A 06 is intended for operation with MAZ, KAMAZ cars. It is transported with Russian or foreign truck 4х2 ( 6х4) wheel arrangement. The running gear of the semitrailer is 3-axle single wheeled air suspension BPW (Germany), the warranty is provided by BPW up to 3 years. Double circuit brake system WABCO equipped with ТEBS system (2S/2M) with Roll Stability Support function. The semitrailerSF3330 4A 02 is equipped with individual PVC fenders. The tank undergoes special treatment with zinc-enriched pre-coating and painting in one color with high-quality two-pack paint Tikkurilla. The fifth-wheel coupling height is from 1150 to1250 mm. Additionally there can be installed various equipment such as a pump, a meter, fuel distribution unit, vapour recovery system, bottom loading system and etc. |
The Tank semitrailer SF3330 is made of aluminum alloy. The total capacity is 30 m3 with division into 4 compartments with volumes 8,1 m3 / 7,4 m3 / 8,4 m3, / 7,1 m3. Tree-axle single wheeled air suspension BPW (Germany), the warranty is provided by BPW up to 3 years. The total mass of the semitrailer is 31900 kg. Double circuit brake system WABCO equipped with ТEBS system (2S/2M) with Roll Stability Support function. The semitrailer is equipped with PVC fenders. The fifth-wheel height is from 1150 to1250 mm.
![]() |
Order
SF3330_4A_02, 30 m3, 4 compartments, fifth-wheel 1250
The Fuel Tanker SF3330 4A 02 is a tank semeitrailer intended for transportation and temporary storage of gasoline and light oil products (gasoline, kerosene, diesel fuel, etc.). The tank structure is made of aluminum alloy. The tank volume 30 m3. The Fuel Tanker is divided into 4 compartments with volumes 8,1 m3 / 7,4 m3 / 8,4 m3, / 7,1 m3.
The Fuel Tanker SF3330 4A 02 is intended for operation with MAZ cars. It is transported with Russian or foreign truck 4х2 ( 6х4) wheel arrangement. The running gear of the semitrailer is 3-axle single wheeled air suspension BPW (Germany), the warranty is provided by BPW up to 3 years. Double circuit brake system WABCO equipped with ТEBS system (2S/2M) with Roll Stability Support function. The semitrailerSF3330 4A 02 is equipped with individual PVC fenders. The tank undergoes special treatment with zinc-enriched pre-coating and painting in one color with high-quality two-pack paint Tikkurilla. The fifth-wheel coupling height is from 1150 to1250 mm. Additionally there can be installed various equipment such as a pump, a meter, fuel distribution unit, vapour recovery system, bottom loading system and etc. |
The Tank semitrailer SF3330 is made of aluminum alloy. The total capacity is 30 m3 with division into 5 compartments with volumes 8,1 m3 / 7,4 m3 / 8,4 m3, / 7,1 m3. Tree-axle single wheeled air suspension BPW (Germany), the warranty is provided by BPW up to 3 years. The total mass of the semitrailer is 31900 kg. Double circuit brake system WABCO equipped with ТEBS system (2S/2M) with Roll Stability Support function. The semitrailer is equipped with PVC fenders. The fifth-wheel height is from 1200 mm.
![]() |
Order
SF3330_4A_03, 30 m3, 4 compartments, fifth-wheel 1200
The Fuel Tanker SF3330 4A 03 is a tank semeitrailer intended for transportation and temporary storage of gasoline and light oil products (gasoline, kerosene, diesel fuel, etc.). The tank structure is made of aluminum alloy. The tank volume 30 m3. The Fuel Tanker is divided into 5 compartments with volumes 8,1 m3 / 7,4 m3 / 8,4 m3, / 7,1 m3
The Fuel Tanker SF3330 4A 03 is intended for operation with MAZ cars. It is transported with Russian or foreign truck 4х2 ( 6х4) wheel arrangement. The running gear of the semitrailer is 3-axle single wheeled air suspension BPW (Germany), the warranty is provided by BPW up to 3 years. Double circuit brake system WABCO equipped with ТEBS system (2S/2M) with Roll Stability Support function. The semitrailerSF3330 4A 03 is equipped with individual PVC fenders. The tank undergoes special treatment with zinc-enriched pre-coating and painting in one color with high-quality two-pack paint Tikkurilla. The fifth-wheel coupling height is from 1200 mm. Additionally there can be installed various equipment such as a pump, a meter, fuel distribution unit, vapour recovery system, bottom loading system and etc. |
The Tank semitrailer SF3330 is made of aluminum alloy. The total capacity is 30 m3 with division into 5 compartments with volumes 8,2 m3 / 6,6 m3 / 4,6 m3, / 4,6 m3, / 6 m3. Tree-axle single wheeled air suspension BPW (Germany), the warranty is provided by BPW up to 3 years. The total mass of the semitrailer is 31500 kg. Double circuit brake system WABCO equipped with ТEBS system (2S/2M) with Roll Stability Support function. The semitrailer is equipped with PVC fenders. The fifth-wheel height is from 1150 to1250 mm.
![]() |
Order
SF3330_4A_11, 30 m3, 4 compartments, fifth-wheel 1250
The Fuel Tanker SF3330 5A 12 is a tank semeitrailer intended for transportation and temporary storage of gasoline and light oil products (gasoline, kerosene, diesel fuel, etc.). The tank structure is made of aluminum alloy. The tank volume 30 m3. The Fuel Tanker is divided into 5 compartments with volumes 8,2 m3 / 6,6 m3 / 4,6 m3, / 4,6 m3, / 6 m3.
The Fuel Tanker SF3330 5A 12 is intended for operation with MAZ cars. It is transported with Russian or foreign truck 4х2 ( 6х4) wheel arrangement. The running gear of the semitrailer is 3-axle single wheeled air suspension BPW (Germany), the warranty is provided by BPW up to 3 years. Double circuit brake system WABCO equipped with ТEBS system (2S/2M) with Roll Stability Support function. The semitrailerSF3330 5A 12 is equipped with individual PVC fenders. The tank undergoes special treatment with zinc-enriched pre-coating and painting in one color with high-quality two-pack paint Tikkurilla. The fifth-wheel coupling height is from 1150 to1250 mm. Additionally there can be installed various equipment such as a pump, a meter, fuel distribution unit, vapour recovery system, bottom loading system and etc. |
The Tank semitrailer SF3330 is made of aluminum alloy. The total capacity is 30 m3 with division into 5 compartments with volumes 8,2 m3 / 6,6 m3 / 4,6 m3, / 4,6 m3, / 6 m3. Tree-axle single wheeled air suspension BPW (Germany), the warranty is provided by BPW up to 3 years. The total mass of the semitrailer is 31500 kg. Double circuit brake system WABCO equipped with ТEBS system (2S/2M) with Roll Stability Support function. The semitrailer is equipped with PVC fenders. The fifth-wheel height is from 1150 to1250 mm.
![]() |
Order
SF3330_5A_11, 30 m3, 5 compartments, fifth-wheel 1250
The Fuel Tanker SF3330 5A 12 is a tank semi-trailer intended for transportation and temporary storage of gasoline and light oil products (gasoline, kerosene, diesel fuel, etc.). The tank structure is made of aluminum alloy. The tank volume 30 m3. The Fuel Tanker is divided into 5 compartments with volumes 8,2 m3 / 6,6 m3 / 4,6 m3, / 4,6 m3, / 6 m3.
The Fuel Tanker SF3330 5A 12 is intended for operation with MAZ cars. It is transported with Russian or foreign truck 4х2 ( 6х4) wheel arrangement. The running gear of the semitrailer is 3-axle single wheeled air suspension BPW (Germany), the warranty is provided by BPW up to 3 years. Double circuit brake system WABCO equipped with ТEBS system (2S/2M) with Roll Stability Support function. The semitrailerSF3330 5A 12 is equipped with individual PVC fenders. The tank undergoes special treatment with zinc-enriched pre-coating and painting in one color with high-quality two-pack paint Tikkurilla. The fifth-wheel coupling height is from 1150 to1250 mm. Additionally there can be installed various equipment such as a pump, a meter, fuel distribution unit, vapour recovery system, bottom loading system and etc. |
The Tank semitrailer SF3330 is made of aluminum alloy. The total capacity is 30 m3 with division into 5 compartments with volumes 8,2 m3 / 6,6 m3 / 4,6 m3, / 4,6 m3, / 6 m3. Tree-axle single wheeled air suspension BPW (Germany), the warranty is provided by BPW up to 3 years. The total mass of the semitrailer is 31500 kg. Double circuit brake system WABCO equipped with ТEBS system (2S/2M) with Roll Stability Support function. The semitrailer is equipped with PVC fenders. The fifth-wheel height is from 1150 to1250 mm.
![]() |
Order
SF3330_5A_12, 30 m3, 5 compartments, fifth-wheel 1250
The Fuel Tanker SF3330 5A 12 is a tank semeitrailer intended for transportation and temporary storage of gasoline and light oil products (gasoline, kerosene, diesel fuel, etc.). The tank structure is made of aluminum alloy. The tank volume 30 m3. The Fuel Tanker is divided into 5 compartments with volumes 8,2 m3 / 6,6 m3 / 4,6 m3, / 4,6 m3, / 6 m3.
The Fuel Tanker SF3330 5A 12 is intended for operation with MAZ cars. It is transported with Russian or foreign truck 4х2 ( 6х4) wheel arrangement. The running gear of the semitrailer is 3-axle single wheeled air suspension BPW (Germany), the warranty is provided by BPW up to 3 years. Double circuit brake system WABCO equipped with ТEBS system (2S/2M) with Roll Stability Support function. The semitrailerSF3330 5A 12 is equipped with individual PVC fenders. The tank undergoes special treatment with zinc-enriched pre-coating and painting in one color with high-quality two-pack paint Tikkurilla. The fifth-wheel coupling height is from 1150 to1250 mm. Additionally there can be installed various equipment such as a pump, a meter, fuel distribution unit, vapour recovery system, bottom loading system and etc. |
If you have an individual project, please, fill out the data input form and send it to us for calculation.
Download the questionnaire